HOME > Á¦Ç°¼Ò°³ > º´¿ø¿ë¹üÆÛÇڵ巹ÀÏ
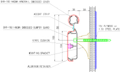
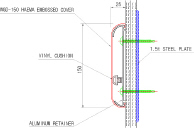
¡Ü ½ºÆ®·¹ÃÄ ¹üÆÛ
 







¡Ü ¿ù ¹üÆÛ°¡µå